行星減速機有很多種稱呼,被稱為行星精密減速機、伺服行星減速機、精密行星伺服減速機……根據里面齒輪的套數又分為一級,二級行星減速機和三級
行星減速機。
下面來看一下一級行星減速機內部結構圖
合理利用內、外嚙合、功率分流,箱體采用球墨鑄鐵,大大提高了箱體的鋼性及抗震性;齒輪均采用滲碳淬火處理,得到高硬耐磨表面,齒輪熱處理后全部磨齒,降低了噪音,提高了整機的效率和使用壽命;行星傳動級數有2級和3級,這是最常用的級數。
常用的減速比
1級:3、4、5、7、10
2級:15、20、30、35、40、50、70、90、100
其中6、8、9這三個減速比是比較少見的。

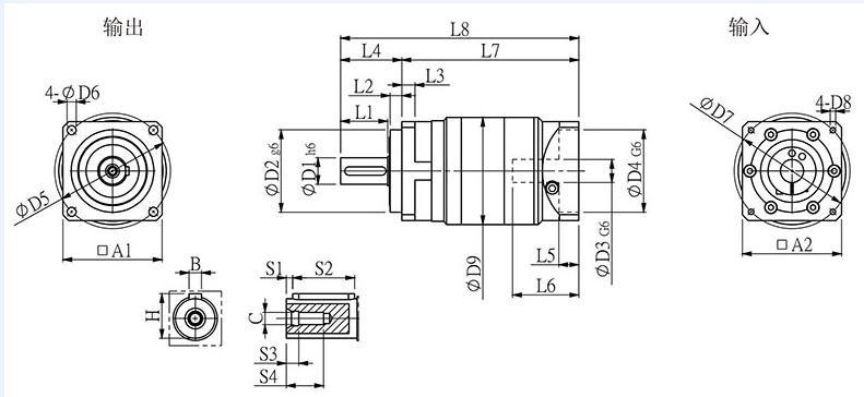
從外觀上看可以分為三段:輸入段、減速段和輸出段。
輸入段:輸入段指的是和電機連接的一端。包括輸入軸孔,輸入法蘭
減速段:減速段是指減速機核心段,從外面上看就像一個箱體,實際里面包含了很多核心部件,如行星齒輪、太陽齒輪、內齒圈。
輸出段:輸出希是指與設備連接的一端,包含輸出軸、輸出法蘭。
行星齒輪減速機廠家依靠完善的質量管理體系,使產品質量得到完美保證,伺服減速機深受廣大用戶的信賴,主要生產于JRF系列方形行星伺服電機減速機 ,JRL系列圓柱齒輪行星減速機,JR系列雙支撐重載行星減速機等產品。